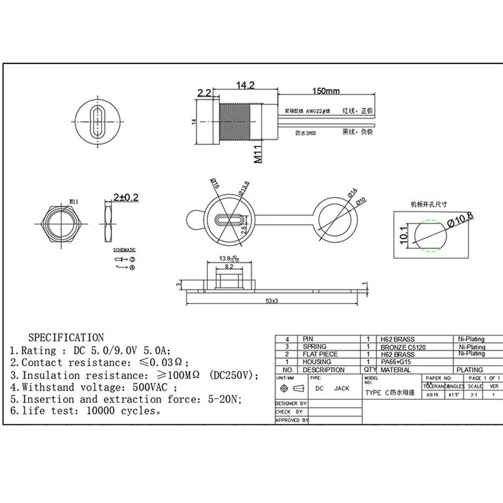
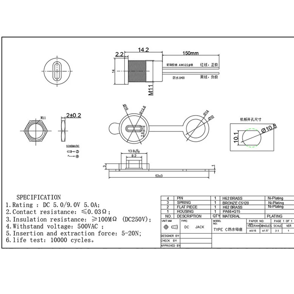
این کانکتور DC/USB پنلی با بدنهٔ مقاوم و مهرهٔ M11 یک راهحل ایدهآل برای نصب پنلها و اتصال دستگاههای برقی به منبع تغذیه است. . کانکتور برای کاربردهایی ساخته شده که نیازمند توان بالا، دوام مکانیکی و مقاومت در برابر آب (دارای ریتینگ حفاظتی IP68 در قسمت کابل و سوکت ) میباشد.
مشخصات
- ریتینگ ولتاژ و جریان: DC 5.0/9.0V و جریان نامی 5.0A — مناسب برای شارژرها و تجهیزات الکترونیکی کوچک تا جریان متوسط.
- مقاومت تماس: ≤ 0.03Ω — تلفات حرارتی پایین و تماس الکتریکی مطمئن.
- مقاومت عایقی: ≥ 100MΩ در 250V DC — ایزولاسیون مناسب جهت جلوگیری از نشتی جریان.
- ولتاژ تحمل: 500VAC — تحمل پیادهسازی ایمن در برابر ولتاژهای گذرا در محیطهای صنعتی.
- نیروی درون/خارجسازی (Insertion/Extraction Force): 5–20N — تعادل بین ثبات اتصال و سهولت استفاده.
- تست عمر: 10,000 سیکل — عمر مکانیکی بالا برای استفاده مکرر در دستگاهها و تجهیزات.
- ابعاد مکانیکی: مهره M11 برای نصب پنلی، قطر برش پیشنهادی Ø10.8 mm و جزئیات ابعادی برای طراحی برش پنل و PCB.
مواد و ساختار:
- فین، صفحهٔ فنر و قطعات تماسی از آلیاژهای برنج (H62 brass) و برنز با آبکاری نیکل برای اطمینان از هدایت بالا و مقاومت در برابر خوردگی می باشد
- پوسته و هوزینگ از PA66+GF15 (پلاستیک تقویتشده) برای استحکام مکانیکی و پایداری حرارتی.

ویژگیها و مزایا:
- مناسب جهت شارژ سریع: پشتیبانی از جریان تا 5A و طراحی با مقاومت تماس پایین، این کانکتور را برای شارژ سریع و انتقال توان مناسب میسازد.
- مقاومت مکانیکی و عمر بالا: تست 10,000 سیکل و نیروی اتصال متعادل، مناسب دستگاههایی با استفاده مکرر مثل پاوربانکها، شارژرها و تجهیزات پزشکی کوچک.
- نصب پنلی ساده: مهرهٔ M11 و الگوی ابعادی دقیق (Ø10.8 mm برش) نصب سریع و ایمن روی پنل دستگاه را امکانپذیر میسازد.
- حفاظت و ایمنی: مقاومت عایقی بالا و تحمل ولتاژ 500VAC که در محیطهای صنعتی و نیمهصنعتی کاربرد دارد.
- کابل با روکش و محافظت IP68: مناسب استفاده در محیطهای مرطوب و مقاوم در برابر نفوذ آب در بخش کابل.
کاربردهای پیشنهادی:
- درگاه تغذیه دستگاههای الکترونیکی مانند مودمها، تجهیزات شبکه، پاوربانکها و شارژرها.
- نصب در پنل دستگاههای صنعتی، سیستمهای کنترل و تجهیزات پزشکی کوچک که نیاز به پایداری اتصال دارند.
- پروژههای صنعتی و DIY که نیاز به کانکتور پنلی با عمر مکانیکی بالا و مقاومت الکتریکی پایین دارند.

نکات نصب و نگهداری:
- برای نصب از برش پنل مطابق ابعاد Ø10.8 mm و مهرهٔ M11 استفاده کنید تا قفل مکانیکی صحیح برقرار شود.
- پیش از لحیمکاری یا مونتاژ از خاموش بودن تغذیه اطمینان حاصل کنید و از قلع کاری دقیق برای حفظ مقاومت تماس پایین بهره ببرید.
- در محیطهای با رطوبت بالا از کابل با روکش IP68 و آببندی مناسب استفاده کنید تا از نفوذ رطوبت جلوگیری شود.
- سؤالات متداول
Q: آیا این فیش داده (USB‑C data) را نیز منتقل میکند؟
A: این مدل فقط برای انتقال توان/شارژ طراحی شده است؛ برای انتقال داده به مدلهای با سیمبندی کامل و پینهای داده نیاز است.
Q: آیا میتواند شارژ سریع PD را پشتیبانی کند؟
A: محصول قادر به پشتیبانی از شارژ سریع PD می باشد 20V/3A
Q: طول و ضخامت کابل قابل تغییر است؟
A: طول آن را میتوانید تغییر دهید ولی ضخامت آن قابل تغییر نیست و در عملکرد شارژ باتری تاثیر منفی دارد .
دیدگاه خود را بنویسید